| Verfügbarkeitsstatus: | |
|---|---|
| Menge: | |
YJT /T 14581
GS
GSMS002
Sicherheitsmaschinenschrauben aus Edelstahl
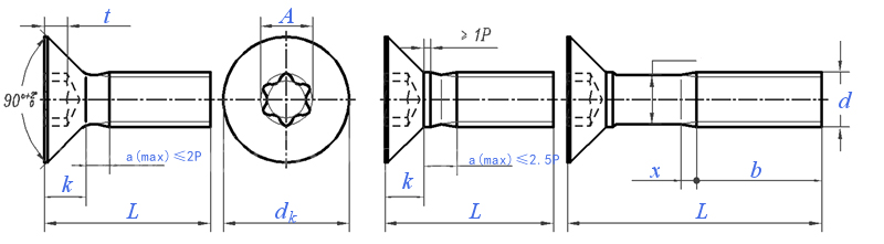
Die Sicherheitsmaschinenschrauben von Goshen bestehen aus Edelstahl 316, der eine helle Farbe, weniger Korrosion und eine große Größe aufweist. Zweitens: Sechskantschrauben mit Vollgewindeabmessungen ist auch komplett.
| Gewindegröße | M2 | M2,5 | M3 | (M3.5) | M4 | M5 | M6 | M8 | M10 | ||||
| d | |||||||||||||
| - | Keine Schulter | Keine Schulter | Keine Schulter | Keine Schulter | Keine Schulter | Schulter mit Achse | Schulter mit Achse | Schulter mit Achse | Schulter mit Achse | ||||
| P | Schraubensteigung | 0.4 | 0.45 | 0.5 | 0.6 | 0.7 | 0.8 | 1 | 1.25 | 1.5 | |||
| b | Mindest | 25 | 25 | 25 | 38 | 38 | 38 | 38 | 38 | 38 | |||
| dk | Theorie | Max | 4.4 | 5.5 | 6.3 | 8.2 | 9.4 | 10.4 | 12.6 | 17.3 | 20 | ||
| Tatsächlich | Max=Nominal | 3.8 | 4.7 | 5.5 | 7.3 | 8.4 | 9.3 | 11.3 | 15.8 | 18.3 | |||
| Mindest | 3.5 | 4.4 | 5.2 | 6.94 | 8.04 | 8.94 | 10.87 | 15.37 | 17.78 | ||||
| k | Max=Nominal | 1.2 | 1.5 | 1.65 | 2.35 | 2.7 | 2.7 | 3.3 | 4.65 | 5 | |||
| x | Max | 1 | 1.1 | 1.25 | 1.5 | 1.75 | 2 | 2.5 | 3.2 | 3.8 | |||
| 槽号 | 6 | 8 | 10 | 15 | 20 | 25 | 30 | 45 | 50 | ||||
| A | Beziehen auf | 1.75 | 2.4 | 2.8 | 3.35 | 3.95 | 4.5 | 5.6 | 7.93 | 8.95 | |||
| t | Max | 0.64 | 0.79 | 0.83 | 1.32 | 1.53 | 1.51 | 1.78 | 2.54 | 2.8 | |||
| Mindest | 0.51 | 0.66 | 0.7 | 1.16 | 1.14 | 1.12 | 1.39 | 2.15 | 2.41 | ||||
| Zuglast (N) | Mindest | Leistungsklasse 4,8 | - | - | 1690 | 2280 | 2950 | 4770 | 6750 | 12300 | 19500 | ||
| Leistungsklasse 8,8 | - | - | 3220 | 4340 | 5620 | 9080 | 12900 | 23400 | 37100 | ||||
| Leistungsklasse 50 | 830 | 1350 | 2010 | 2710 | 3510 | 5680 | 8000 | 14600 | 23200 | ||||
| Leistungsklasse 70 | 1160 | 1900 | 2810 | 3790 | 4910 | 7950 | 11200 | 20500 | 32400 | ||||
Material
| 316 Chemische Zusammensetzung (%) | ||||||||||
| Grad | C≤ | Mn≤ | Si≤ | S≤ | P≤ | Cr | Ni | Cu | MO | N |
| 0.017 | 0.98 | 0.25 | 0.0016 | 0.0414 | 16.23 | 10.08 | 0.32 | 2.06 | 0.037 | |
| 316 Mechanisches Eigentum | |||
| σb≥ | σ0,2≥ | δ5 (%)≥ | Härte (HB) (kgf/mm2)] |
| 520 (MPa) | 205 (Mpa) | 40 % | ≤187 HRB≤90 HV ≤200 |
Standard-Exportverpackung oder nach Kundenwunsch
1. Was sind Ihre Hauptprodukte?
A: Befestigungselemente, Bolzen, Muttern, Schrauben, Unterlegscheiben, Gewindestangen, Anker, selbstschneidende Schrauben
Schrauben, selbstbohrende Schrauben, Edelstahlplatte usw.
2. Wie lange ist Ihre Lieferzeit?
A: Es hängt davon ab, ob wir Lagerbestände haben oder nicht. Wenn wir Waren auf Lager haben, können wir das tun
Lieferung innerhalb von 2 Tagen nach Zahlungseingang. Und normalerweise unsere Produktion
ist in 20-30 Tagen für einen Container (20-26 Tonnen) Produkte.
3. Wie lautet Ihr Zahlungsziel?
A: Meistens nutzen wir eine Vorauszahlung von 30 % per T/T, 70 % vor dem Versand
Für kleine Bestellmengen haben wir ein PayPal-Konto, auch Western Union,
MoneyGram ist in Ordnung.
4. Wie ist Ihre Qualität?Und was ist, wenn wir Ihre Qualität nicht zufriedenstellen?
A: Wir fertigen Ihre Bestellung ausschließlich nach Ihren Wünschen.Wenn die Qualität nicht stimmte
akzeptabel, wir erstatten Ihnen den Betrag.
Sicherheitsmaschinenschrauben aus Edelstahl
Die Sicherheitsmaschinenschrauben von Goshen bestehen aus Edelstahl 316, der eine helle Farbe, weniger Korrosion und eine große Größe aufweist. Zweitens: Sechskantschrauben mit Vollgewindeabmessungen ist auch komplett.
| Gewindegröße | M2 | M2,5 | M3 | (M3.5) | M4 | M5 | M6 | M8 | M10 | ||||
| d | |||||||||||||
| - | Keine Schulter | Keine Schulter | Keine Schulter | Keine Schulter | Keine Schulter | Schulter mit Achse | Schulter mit Achse | Schulter mit Achse | Schulter mit Achse | ||||
| P | Schraubensteigung | 0.4 | 0.45 | 0.5 | 0.6 | 0.7 | 0.8 | 1 | 1.25 | 1.5 | |||
| b | Mindest | 25 | 25 | 25 | 38 | 38 | 38 | 38 | 38 | 38 | |||
| dk | Theorie | Max | 4.4 | 5.5 | 6.3 | 8.2 | 9.4 | 10.4 | 12.6 | 17.3 | 20 | ||
| Tatsächlich | Max=Nominal | 3.8 | 4.7 | 5.5 | 7.3 | 8.4 | 9.3 | 11.3 | 15.8 | 18.3 | |||
| Mindest | 3.5 | 4.4 | 5.2 | 6.94 | 8.04 | 8.94 | 10.87 | 15.37 | 17.78 | ||||
| k | Max=Nominal | 1.2 | 1.5 | 1.65 | 2.35 | 2.7 | 2.7 | 3.3 | 4.65 | 5 | |||
| x | Max | 1 | 1.1 | 1.25 | 1.5 | 1.75 | 2 | 2.5 | 3.2 | 3.8 | |||
| 槽号 | 6 | 8 | 10 | 15 | 20 | 25 | 30 | 45 | 50 | ||||
| A | Beziehen auf | 1.75 | 2.4 | 2.8 | 3.35 | 3.95 | 4.5 | 5.6 | 7.93 | 8.95 | |||
| t | Max | 0.64 | 0.79 | 0.83 | 1.32 | 1.53 | 1.51 | 1.78 | 2.54 | 2.8 | |||
| Mindest | 0.51 | 0.66 | 0.7 | 1.16 | 1.14 | 1.12 | 1.39 | 2.15 | 2.41 | ||||
| Zuglast (N) | Mindest | Leistungsklasse 4,8 | - | - | 1690 | 2280 | 2950 | 4770 | 6750 | 12300 | 19500 | ||
| Leistungsklasse 8,8 | - | - | 3220 | 4340 | 5620 | 9080 | 12900 | 23400 | 37100 | ||||
| Leistungsklasse 50 | 830 | 1350 | 2010 | 2710 | 3510 | 5680 | 8000 | 14600 | 23200 | ||||
| Leistungsklasse 70 | 1160 | 1900 | 2810 | 3790 | 4910 | 7950 | 11200 | 20500 | 32400 | ||||
Material
| 316 Chemische Zusammensetzung (%) | ||||||||||
| Grad | C≤ | Mn≤ | Si≤ | S≤ | P≤ | Cr | Ni | Cu | MO | N |
| 0.017 | 0.98 | 0.25 | 0.0016 | 0.0414 | 16.23 | 10.08 | 0.32 | 2.06 | 0.037 | |
| 316 Mechanisches Eigentum | |||
| σb≥ | σ0,2≥ | δ5 (%)≥ | Härte (HB) (kgf/mm2)] |
| 520 (MPa) | 205 (Mpa) | 40 % | ≤187 HRB≤90 HV ≤200 |
Standard-Exportverpackung oder nach Kundenwunsch
1. Was sind Ihre Hauptprodukte?
A: Befestigungselemente, Bolzen, Muttern, Schrauben, Unterlegscheiben, Gewindestangen, Anker, selbstschneidende Schrauben
Schrauben, selbstbohrende Schrauben, Edelstahlplatte usw.
2. Wie lange ist Ihre Lieferzeit?
A: Es hängt davon ab, ob wir Lagerbestände haben oder nicht. Wenn wir Waren auf Lager haben, können wir das tun
Lieferung innerhalb von 2 Tagen nach Zahlungseingang. Und normalerweise unsere Produktion
ist in 20-30 Tagen für einen Container (20-26 Tonnen) Produkte.
3. Wie lautet Ihr Zahlungsziel?
A: Meistens nutzen wir eine Vorauszahlung von 30 % per T/T, 70 % vor dem Versand
Für kleine Bestellmengen haben wir ein PayPal-Konto, auch Western Union,
MoneyGram ist in Ordnung.
4. Wie ist Ihre Qualität?Und was ist, wenn wir Ihre Qualität nicht zufriedenstellen?
A: Wir fertigen Ihre Bestellung ausschließlich nach Ihren Wünschen.Wenn die Qualität nicht stimmte
akzeptabel, wir erstatten Ihnen den Betrag.
| | Adresse: Zone 4B-D, Kreuzung Fenghuang Road und Qishen Road, Stadt Fengqiao, Bezirk Nanhu, Stadt Jiaxing, Provinz Zhejiang, China 314001. |
| | Mobil/Wechat/WhatsApp: +86-18969301697 |
| | 24h |
| E-Mail:Alan@goshengroup.cn |